産品時間(jiān):2025-12-15
mf4001廣東微(wēi)小口徑氣體質量(liang)流量計是專門爲(wèi)各類小流量氣體(ti)的測量和過程控(kòng)制而設計的。這一(yī)系列🐕傳感器均采(cai)用本公🚶♀️司自主研(yán)發的微機電系統(tǒng)(MEMS)流量傳感👨❤️👨芯片來(lai)制作,适用于各類(lei)清潔氣體。*的封裝(zhuang)🐕技術使之🥵可用于(yu)各類管徑,成本低(dī)、易安裝、不需要溫(wēn)度壓力補償,可替(ti)代容積式或壓差(chà)式的傳統流量傳(chuán)感器。
mf4001廣東微小口徑氣(qi)體質量流量計
産品特點:
-
傳感器靈敏度高(gāo)
傳感(gan)器芯片采用熱質(zhi)量流量計量
,
無需溫度壓力補(bu)償
,
-
,
使傳感器的量(liang)程比大大提高
-
傳感器的零點(diǎn)穩定度高
-
全(quan)量程高穩定性
-
全量程高精确(que)度和優良的重複(fú)性
-
-
低壓損
響(xiang)應時間快
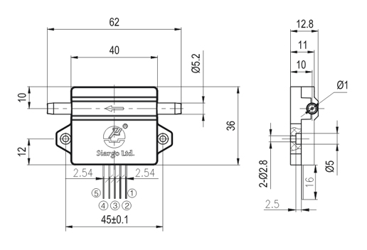
mf4001廣東微(wei)小口徑氣體質量(liàng)流量計 機械(xie)尺寸:

主(zhu)要參數:
|
性能參數(shu) |
FS4001 |
單位 |
|
|
通 徑 |
1.0 |
1.8 |
mm |
|
大流量(liàng) |
30, 100, 200 |
500, 1000 |
|
|
量程比 |
>100:1 |
|
|
|
精 度 |
±(1.5+0.2FS) |
% |
|
|
重複(fu)性 |
|||
|
零點輸出(chū)飄移 |
|
mV |
|
|
|
|
||
|
響(xiang)應時間 |
4, 8, 16, 33 , 65 , 131 |
mses |
|
|
工作電源(yuán) |
|
|
|
|
輸出方式 |
|
|
|
|
大流量壓(ya)損 |
|
|
|
|
|
0.5 |
MPa |
|
|
工(gōng)作溫度 |
|
oC |
|
|
-20 ~ +65 |
oC |
||
|
工作濕度 |
<95%RH(無結冰(bīng)、無凝露) |
|
|
|
機械接口(kou) |
可拆式軟管接頭(tóu) |
|
|
|
校準方式 |
空氣(或(huò)其他氣體),20oC,101.325kPa |
|
|
|
|
g |
||
86-020-85628533
·
·••
•